基于14443-A協議的無源電子標簽數字集成電路設計
作者:喻武龍,孟穎
來源:現代電子技術
日期:2009-11-11 11:49:17
摘要:根據ISO/IEC 14443-A協議.完成無源電子標簽數字集成電路的設計及其功能測試,實現了對芯片面積、速度和功耗之間較好的平衡。結果表明,在采用中芯國際的0.35 μm工藝條件下,所研制芯片面積為36 877.75μm2,功耗為30.845 8 mW,可完全滿足協議對標簽的性能要求。
在無線通信中數據的傳輸在空間進行,因此無源電子標簽的數據通信涉及通信和信息安全等技術,其中信息的安全性是無源電子標簽設計時需要解決的核心問題。適應于無源電子標簽的通信協議有多種,其中ISO/IEC14443協議是目前應用較廣的協議。本文采用這一協議在安全性設計基礎上,完成無源電子標簽數字集成電路芯片的設計。
1 芯片的電路結構
根據ISO/IEC 14443-A協議對標簽通信的規定,本文設計的無源電子標簽數字電路芯片的結構如圖1所示,主要由通信安全、信息安全、存儲以及控制等4個單元組成,圖l同時給出各個單元中所需子電路模塊的組成結構。
電子標簽以被動方式通過天線的感應獲得能量,如果電路的功耗過大,將出現能量不足和信號不穩定等狀態,因此本文采用門控時鐘技術和控制電路節點跳變方法降低所設計電子標簽的功耗。在結構層次上,以門控時鐘取代原始時鐘,為子電路模塊提供時鐘信號;在子電路模塊內部層次上,控制電路系統內部各觸發器和鎖存器輸出的跳變次數。
2 控制單元以及存儲單元
考慮到系統任務的復雜度,控制單元調度任務的工作由主控制和從協議控制2個子電路模塊協同完成。主控制子電路模塊用于協調通信安全、信息安全以及存儲等單元中各子電路模塊,為從協議控制子電路模塊做準備;從協議控制子電路模塊用于完成預設的通信方案。
由于本文設定標簽接收和發送的最大字節數為32位,而各子電路模塊的接口總線為8位,為了協調電路系統發送存儲數據和加密操作的時序,控制單元設置了一由28個字節構成的寄存器組,作為虛擬RAM,以暫存數據。
標簽操作的數據存放在存儲單元的E2PROM電路中,為了與總線接口配合,存儲單元中包含了接口電路,以完成控制單元與E2PROM之間的總線轉換。
3 通信安全單元
在無線通信過程中,由于信號容易受到突發的偶然因素和系統本身使用特點的影響產生干擾,考慮到電子標簽的半雙工通信方式及其成本,本文在通信安全單元的設計中,采用數據編碼技術、信道編碼技術和防沖突訪問控制等3種技術進行檢錯。通過改進米勒碼解碼器對接收信號進行解碼,并以曼徹斯特碼編碼器對發送信號進行編碼。通信安全單元既需要生成信道循環冗余校驗碼和奇校驗碼,又要對接收的信道校驗碼進行校驗,這2個功能具有相同的電路結構,數據以比特流的形式傳輸,因此可采用功能復用方法設計循環冗余校驗和奇校驗模塊子電路。本文同時基于面向位沖突幀的樹型搜索算法的防沖突訪問機制,設計防沖突訪問控制子電路模塊。
4 信息安全單元
對無源電子標簽信息的安全性造成威脅的因素有人為和客觀2種,結合本文研制的電子標簽存儲的數據量較少特點,信息安全單元可采用如下技術設計:
(1)采用基于DES(Data Encryption Standard)密碼體系的CFB方式設計加密協處理器,使有效數據加密后才在信道中傳輸;
(2)采用基于DES密碼體系的三重相互認證機制,使閱讀器和電子標簽可分別確認對方操作的合法性。
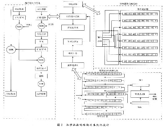
4.1 密碼體系的優化設計
DES密碼體系CFB方式的設計核心是加密函數,其結構以及優化方案可由圖2所示體系給出。主要包括初始置換、逆初始置換、循環結構以及置換選擇A的優化設計。
如果以連線方法實現初始置換的位映射關系,不僅使版圖的布局布線工作量增大,而且連線占用面積也較大,因此,本文采用移位寄存器方法實現初始置換的功能。考慮到初始置換表中每一列的值分別對應每一輸入字節的位2,4,6,8和位1,3,5,7,而且這里設定的接口總線寬為1個字節,所以可將初始置換表按照如下矩陣進行轉換:{初始置換表}={初始置換的每一列}×{每個字節由低位到高位排列}
而且,每一位數據分別存儲在8個移位寄存器的第一個位置,當接收到1個字節,各移位寄存器的內容均右移一位,于是便可得到圖2中的初始置換電路結構。類似地,逆初始置換也以移位寄存器的方法實現位映射關系。
考慮到研制芯片中時鐘周期的裕度較大,因此,采用兩次循環結構展開和二級流水線相結合的技術設計循環結構,實現了在面積和速度上取得較好平衡的目標,其結構的優化方法在如圖2中一并給出。
對置換選擇A,將其置換表中的數值分成上下2部分,每部分數據按照每行8位的格式排列,并將上半部分的前4位數據和下半部分的后4位數據合成為1個字節,而且對經過置換選擇的密鑰進行循環左移,結構如圖2中的置換選擇A電路結構所示。
4.2 三重相互認證機制
由于信息安全單元采用對稱密鑰DES密碼體系對數據進行加解密,閱讀器和標簽具有相同的密鑰,因此,可采用基于DES密碼體系的三重認證機制確保數據的真實性。閱讀器和標簽只有經過相互認證后,才能對存儲的數據和參數進行操作,主要步驟包括:
(1)閱讀器發送“認證查詢口令”到標簽,標簽產生一隨機數RA,加密后反饋回閱讀器;
(2)閱讀器產生一隨機數RB,并且使用共同的密鑰K,將RA和RB加密成數據塊Tokenl并發送給標簽,標簽對收到的Tokenl解密,并將從中取得的RA與原先發送的RA比較,一致時,將收到的RB加密成數據塊Token2,并反饋回閱讀器,進一步確認雙方的合法身份;
(3)閱讀器對收到的Token2解密,并將從中取得的RB與原先發送的RB比較,一致時,則發送身份確認命令到標簽,標簽響應并確認。
5 驗證平臺
為檢驗所設計數字集成電路芯片的通信功能,本文設計了相應的驗證平臺,結構如圖3所示。
針對通信功能,本文對輸入信號組合加于約束,所設計的測試向量集具備如下特征:
(1)測試校驗出錯情況:當標簽接收數據的校驗碼出錯,測試檢錯功能。
(2)測試序列號出錯情況:當標簽接收的序列號與期望值不一致,測試檢錯功能。
(3)測試命令數目出錯情況:當標簽接收的命令數目與期望值不一致,命令數目約束比期望值多或少,測試檢錯功能。
(4)測試命令出錯情況:當標簽接收命令為當前通信狀態不能接收的命令,命令約束為其他通信狀態的操作命令,測試檢錯功能。
(5)測試命令操作時間間隔出錯情況:當標簽在規定的時間間隔內接收命令,時間間隔范圍約束為一次操作完成時間和幀保護時間,測試檢錯功能。
6 結 語
本文采用Synopsys工具,結合中芯國際的0.35μm工藝庫,可以得到本文所設計芯片的面積和功耗如表1、表2所示:
1 芯片的電路結構
根據ISO/IEC 14443-A協議對標簽通信的規定,本文設計的無源電子標簽數字電路芯片的結構如圖1所示,主要由通信安全、信息安全、存儲以及控制等4個單元組成,圖l同時給出各個單元中所需子電路模塊的組成結構。

電子標簽以被動方式通過天線的感應獲得能量,如果電路的功耗過大,將出現能量不足和信號不穩定等狀態,因此本文采用門控時鐘技術和控制電路節點跳變方法降低所設計電子標簽的功耗。在結構層次上,以門控時鐘取代原始時鐘,為子電路模塊提供時鐘信號;在子電路模塊內部層次上,控制電路系統內部各觸發器和鎖存器輸出的跳變次數。
2 控制單元以及存儲單元
考慮到系統任務的復雜度,控制單元調度任務的工作由主控制和從協議控制2個子電路模塊協同完成。主控制子電路模塊用于協調通信安全、信息安全以及存儲等單元中各子電路模塊,為從協議控制子電路模塊做準備;從協議控制子電路模塊用于完成預設的通信方案。
由于本文設定標簽接收和發送的最大字節數為32位,而各子電路模塊的接口總線為8位,為了協調電路系統發送存儲數據和加密操作的時序,控制單元設置了一由28個字節構成的寄存器組,作為虛擬RAM,以暫存數據。
標簽操作的數據存放在存儲單元的E2PROM電路中,為了與總線接口配合,存儲單元中包含了接口電路,以完成控制單元與E2PROM之間的總線轉換。
3 通信安全單元
在無線通信過程中,由于信號容易受到突發的偶然因素和系統本身使用特點的影響產生干擾,考慮到電子標簽的半雙工通信方式及其成本,本文在通信安全單元的設計中,采用數據編碼技術、信道編碼技術和防沖突訪問控制等3種技術進行檢錯。通過改進米勒碼解碼器對接收信號進行解碼,并以曼徹斯特碼編碼器對發送信號進行編碼。通信安全單元既需要生成信道循環冗余校驗碼和奇校驗碼,又要對接收的信道校驗碼進行校驗,這2個功能具有相同的電路結構,數據以比特流的形式傳輸,因此可采用功能復用方法設計循環冗余校驗和奇校驗模塊子電路。本文同時基于面向位沖突幀的樹型搜索算法的防沖突訪問機制,設計防沖突訪問控制子電路模塊。
4 信息安全單元
對無源電子標簽信息的安全性造成威脅的因素有人為和客觀2種,結合本文研制的電子標簽存儲的數據量較少特點,信息安全單元可采用如下技術設計:
(1)采用基于DES(Data Encryption Standard)密碼體系的CFB方式設計加密協處理器,使有效數據加密后才在信道中傳輸;
(2)采用基于DES密碼體系的三重相互認證機制,使閱讀器和電子標簽可分別確認對方操作的合法性。
4.1 密碼體系的優化設計
DES密碼體系CFB方式的設計核心是加密函數,其結構以及優化方案可由圖2所示體系給出。主要包括初始置換、逆初始置換、循環結構以及置換選擇A的優化設計。

如果以連線方法實現初始置換的位映射關系,不僅使版圖的布局布線工作量增大,而且連線占用面積也較大,因此,本文采用移位寄存器方法實現初始置換的功能。考慮到初始置換表中每一列的值分別對應每一輸入字節的位2,4,6,8和位1,3,5,7,而且這里設定的接口總線寬為1個字節,所以可將初始置換表按照如下矩陣進行轉換:{初始置換表}={初始置換的每一列}×{每個字節由低位到高位排列}
而且,每一位數據分別存儲在8個移位寄存器的第一個位置,當接收到1個字節,各移位寄存器的內容均右移一位,于是便可得到圖2中的初始置換電路結構。類似地,逆初始置換也以移位寄存器的方法實現位映射關系。
考慮到研制芯片中時鐘周期的裕度較大,因此,采用兩次循環結構展開和二級流水線相結合的技術設計循環結構,實現了在面積和速度上取得較好平衡的目標,其結構的優化方法在如圖2中一并給出。
對置換選擇A,將其置換表中的數值分成上下2部分,每部分數據按照每行8位的格式排列,并將上半部分的前4位數據和下半部分的后4位數據合成為1個字節,而且對經過置換選擇的密鑰進行循環左移,結構如圖2中的置換選擇A電路結構所示。
4.2 三重相互認證機制
由于信息安全單元采用對稱密鑰DES密碼體系對數據進行加解密,閱讀器和標簽具有相同的密鑰,因此,可采用基于DES密碼體系的三重認證機制確保數據的真實性。閱讀器和標簽只有經過相互認證后,才能對存儲的數據和參數進行操作,主要步驟包括:
(1)閱讀器發送“認證查詢口令”到標簽,標簽產生一隨機數RA,加密后反饋回閱讀器;
(2)閱讀器產生一隨機數RB,并且使用共同的密鑰K,將RA和RB加密成數據塊Tokenl并發送給標簽,標簽對收到的Tokenl解密,并將從中取得的RA與原先發送的RA比較,一致時,將收到的RB加密成數據塊Token2,并反饋回閱讀器,進一步確認雙方的合法身份;
(3)閱讀器對收到的Token2解密,并將從中取得的RB與原先發送的RB比較,一致時,則發送身份確認命令到標簽,標簽響應并確認。
5 驗證平臺
為檢驗所設計數字集成電路芯片的通信功能,本文設計了相應的驗證平臺,結構如圖3所示。

針對通信功能,本文對輸入信號組合加于約束,所設計的測試向量集具備如下特征:
(1)測試校驗出錯情況:當標簽接收數據的校驗碼出錯,測試檢錯功能。
(2)測試序列號出錯情況:當標簽接收的序列號與期望值不一致,測試檢錯功能。
(3)測試命令數目出錯情況:當標簽接收的命令數目與期望值不一致,命令數目約束比期望值多或少,測試檢錯功能。
(4)測試命令出錯情況:當標簽接收命令為當前通信狀態不能接收的命令,命令約束為其他通信狀態的操作命令,測試檢錯功能。
(5)測試命令操作時間間隔出錯情況:當標簽在規定的時間間隔內接收命令,時間間隔范圍約束為一次操作完成時間和幀保護時間,測試檢錯功能。
6 結 語
本文采用Synopsys工具,結合中芯國際的0.35μm工藝庫,可以得到本文所設計芯片的面積和功耗如表1、表2所示:


作者單位:北京理工大學珠海學院