智能IC卡電能表設計
0 引 言
IC卡的使用與其應用系統是密切相關的。一方面,采用IC卡可以使系統的運作更富創造性;另一方面.應用系統又會不斷地對IC卡提出新的要求.促使其功能更加完善。因此.怎樣把IC卡與實際應用有機地結合起來。充分發揮IC卡的優越性.一直是IC卡技術的一個重要課題.智能IC卡電能表就是IC卡技術的一種實際應用。
1 智能IC卡電能表的結構與工作原理
智能IC卡電能表是將傳統的電能表的機芯和高水平的測控電路集成在一個整體的表殼內,既保持了計量精度.又具備了表計運行狀態的自動化管理功能。同時能杜絕人為破壞系統和私自開啟IC卡控制系統導致的控制失靈行為。根據上述功能其結構設計如圖1所示。

圖1 智能IC卡電能表的總體結構圖
智能IC卡電能表在電子計量工作原理基礎上.加上西門子SLE4442IC卡控制器和PIC16C62B單片機構成智能IC卡控制功能。當計量模塊發出脈沖號或用戶插入IC卡時.儀表進入相應工作狀態。首先,運算控制模塊將存儲在電能表數據存儲模塊中的用戶電量剩余值取出并在LCD液晶顯示模塊上顯示。接著,判斷是否是計量脈沖到來,若是則啟動計數及計算功能.計算此時的用電量.經過一定的運算得到這段時間中用戶消耗的用電量。那么,上次用戶預購電量剩余值減去用電量后,得到的就是新的用戶預購電量剩余值。如果該值小于某一值時,儀表輸出指令關閉開關,停止對用戶的電能供應,電能表也進入低功等待狀態。此時用戶可以持IC卡到供電單位購電。
當該用戶將已經購電的IC卡插入電能表的IC卡接口中,電能表被喚醒。如果IC卡是合法卡,電能表將IC卡中儲存的預購電量數據解密后與原來用戶預購電量剩余值相加得到新的用戶電量剩余值,同時擦除IC卡中儲存預購電量數據.打開繼電器開關.從 而恢復了對用戶的電能供應,電能表隨后又進入計量狀態。預購電量剩余值、累積電量等可用按鍵選擇查看。若用戶電量預購剩余值過少時,電能表將提示用戶需要購電。
1.1運算控制模塊
智能IC卡電能表選用PIC16C74作為其控制模塊。PIC系列微控制器是美國Microchip公司率先推出的采用精簡指令集計算機fRISC——Reduced Instruc.tion Set Computer)、哈佛(Harvard)雙總線和兩級指令流熱線結構的高性能價格比的8位嵌入式控制器(Em.bedded Controller)。它具有高速度(每條指令最快可達160ns)、低工作電壓(最低工作電壓可為3V)、低功耗
(3V,32kHz時耗電151µA) 及較大的輸入輸出直接驅動LED能力(灌電流可達25mA)。芯片的低價位、小體積、指令簡單易學易用(35~37條指令1及優秀的抗干擾能力都體現了微控制器工業發展的新趨勢。其中PIC16C74型單片機更具有靜態低功耗休眠功能和通過內部或外圍中斷方式喚醒轉入正常工作方式功能。考慮到經濟性和實用性.智能IC卡電能表開發調試階段采用紫外線可擦除雙列直插式芯片.最后現場運行產品選用的是一次性用戶可編程型器件OTP。PIC16C74作為智能IC卡電能表的核心器件,采用串行通信方式與IC卡、EEPROM,DS1302等外圍器件連接、通信,簡化了件電路,從而降低成本。
1.2 計量模塊
最早的電子式電能表只能通過使用分立元件來實現,但是隨著微電子技術的發展,電能計量新技術和新產品不斷問世,目前已開發出用于各種電能計量的專用集成電路,如單相電子式電能表專用集成電路BL0931、單相全電子式電能表專用集成電路BLo932、靜止式電子電能表專用大規模集成電路GW6832PA等。雖然這些電路在內部集成了電能檢測電路.但是其外圍電路的設計和調整比較復雜,因此在設計中采用了電能表專用厚膜電路HDB6作為電能測量芯片。
電能表專用厚膜電路HDB6是一種采用厚膜工藝技術,把計量IC與其相關的阻容元件二次集成到陶瓷基板上的模塊化單元電路。由于采用厚膜工藝技術,使得電路的絕緣性能、阻值精度、溫度特性、外部環境適應性都比一般分立焊接的電路有明顯的改善,而且計量電路外圍芯片的高度集成減少了貼裝(插裝1元件及焊接點,提高工效,增加產品可靠性及設計產量。同時HDB6還采用單排直插式引腳.使得電能表內部結構簡單,便于裝配、調試和維修。
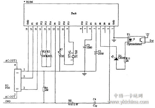
HDB6的實際工作電路如圖2所示。其中AC— OUT1是220V交流電壓的火線輸入;AC_OUT是220V交流電壓的火線輸出;DATA1是經過光耦隔離輸出的功率脈沖。由于220V交流電壓不能直接加到芯片內部的計量IC的輸入端,所以計量IC中所需的
電壓采樣值和電流采樣值是通過電阻網絡對電壓進行分壓和對錳銅合金上的負載電流采樣得到的。獲得的電壓及電流采樣值被送入計量IC中的乘法器相乘.乘法器輸出經過轉換器轉換為占空比反應瞬態功率的脈沖序列輸出。

圖2 HDB6工作電路圖
圖2中R3 是一個小電阻的錳銅片電流采樣電阻,從R3 上采樣得到的電流經過能R2和R 5輸入到計量IC的采樣電流輸入端,可在電能表的小電流線性出現正偏差或負偏差時通過調整保證輸出的線性化,其取值與R3 上2線端選取的位置有關。電流采樣電 阻R3 的大小選取一般存在以下問題:選取的電流采樣電阻過小時,芯片對于小信號的處理就比較差,特別是小信號時的非線性誤差和啟動電流的指標容易變壞;而若電流采樣電阻選取得太大,則會因為受到電流輸入端動態范圍的限制,使電能表的過量程指標降低。為此在設計中,與HDB6一同購買了370µΩ 的電流采樣電阻,這樣直接選取100µΩ的R2 和R5 就可以基本實現輸出的線性化。在這里輸出的脈沖為3750P/kWh。
c3和c5用于實現電源濾波,在HDB6內部的計量IC需要輸入+5V和一5V電壓,所以HDB6中通過阻容分壓、半波整流、電壓箱位來實現供電,通過接入C3、C5 ,可濾除交流電所帶有高頻信號。
在HDB6的電路中采用高精度的手表晶體諧振器作為時鐘基準源。在電能表正常工作時要求該晶體必須穩定可靠的工作。也就是說在長時間工作中,晶體必須保持在一定的振蕩幅度范圍內,若晶體出現老化將導致頻率漂移、停振而影響電能表的正常工作。在設計中使用的是諧振頻率為32768Hz的晶體振蕩器。接在11腳的R,用來調整電能表輸出的相對誤差,只要選取適當的阻值便可使此電路的相對誤差控制在規定范圍內。在實際應用前,通過比較功率表與測量的功率值,手動調整R,來實現測量模塊的精度。
1.3 IC卡讀寫及接口模塊
IC卡讀寫接口電路主要由IC卡卡槽和保護電路構成。當卡插入卡槽時,各引腳一一相連,實現了PIC單片機和IC卡的串行通信,并對插卡進行保護,硬件電路圖如圖3所示。與SLE4442相連3個I/0 口(RST,CLK,t/o)均需接上拉電阻,若選用的單片機I/0口內有上拉電阻,則可以省去;也可以加鉗位保護二極管,抑制由于線路干擾和邏輯電平變化的邊沿抖動所帶來的瞬態過壓。在電壓穩定、干擾很小的情況下,可以不加。

圖3 IC卡接口電路
智能IC卡電能表的拔插式卡槽采用滑動觸點.具有電路接觸良好、通信可靠的優點。其卡插入檢測開關K2在無卡插入時為高電平;當卡插入到位時,該引腳為低電平(與K1短接),使得單片機能檢測到IC卡插入。IC卡的電源Vcc應受控于單片機,即IC卡插入卡座后才給IC卡供電,取卡后則不供電。具體方法為采用能提供IC卡所需10mA電流的受控三態門或三極管,這樣可以有效地防止帶電拔插,延長IC卡的使用壽命。若被鐵片插入,單片機能檢測到短路.則不讓RAO輸出低電平,從而使IC卡斷電。
1.4 液晶顯示模塊
在顯示控制上,為了建立良好的人機交互界面.選用段式液晶顯示器SMSO868。顯示模塊用于根據不同按鍵操作,分別顯示當前系統時間、用戶設定的時間、預存金額、流量、溫度、壓力以及出錯信息等。顯示部分采用的是段式液晶顯示模塊,可以顯示8個數字和6組提示符。該模塊為反射式正顯示,用三線式串行接1:I與計算機進行通信,其外觀如圖4。

圖4 SMS0868界面
上電初始化時,應先依次輸入“100”,再輸入8位指令碼.對LCD進行相應設置,送完指令碼后CLK腳需再送一個空脈沖。接著,用戶可以將需要顯示的數據,按映象位順序轉換成對應二進制顯示代碼,放在固定數據存儲地址進行調用顯示。本系統即將其存放在數據寄存器BCD0~BCD7中。在CS、CLK均為低電平時,先從DI腳輸入“101”,然后只需按照時序將待顯示數據的代碼逐次移位輸入DI腳,CS跳變將所輸入的數據鎖存,進行顯示。
2 軟件設計
智能IC卡電能表的功能是在軟件支持下完成的。其軟件采用PIC系列單片機的匯編語言編寫。由于匯編語言編寫的程序,結構緊湊,效率高,程序全部固化在PIC16C62B單片機的2K字節的程序存儲器中。
2.1 主程序
圖5是主程序流程圖。上電初始化后進入主循環:首先是按鍵檢測。然后是電源電壓檢測,用來檢測電源掉電和電池電壓不足。IC卡檢測是為了判斷是否有卡插入。在卡正確插入的條件下,對卡進行識別和讀寫。電能表脈沖檢測程序則是根據有無脈沖來判斷是否正常用電。并根據不同的檢測結果進行相應的處理。經以上檢測之后,通過液晶顯示出電能表控制電路的相關信息以及用電量。

圖5 智能IC卡電能表設計主程序流程
2.2 IC卡檢測
IC卡檢測流程采用了模塊化設計。首先檢測是否有IC卡插入。在正確插入的前提下。對IC卡進行密碼校驗。讀取IC卡存儲單元中的內容后。對卡進行鑒別,識別出是哪一類型的卡,其中包括初始化卡、定量卡、清零卡、用戶卡四種類型。根據鑒別結果進行相應的處理。圖6為IC卡檢測流程圖。

圖6 IC卡檢測程序流程圖
2.3 電量檢測
電能表的脈沖檢測實際上就是對數字量的采樣。為防止外界干擾。對電能表電量的采樣是通過兩個脈沖的檢測后確定一個有效脈沖。脈沖存在時就在現有電量的基礎上減1。直到電量達到報警值時,蜂鳴器進行聲音報警,提示購電。
3 數據加密
本智能IC卡電能表數據加密是通過對密碼存儲器的操作實現的。通過校驗密碼校驗輸入密碼與芯片內的密碼是否相符。若相符則對主存儲器的寫操作使能,以及對密碼存儲器的讀寫使能;若錯誤,計數器則將失敗的校驗次數記錄下來。為了防止通過多次校驗以獲取密碼的可能性。設計了連續3次錯誤校驗芯片自鎖功能。 圖7是密碼校驗的程序框圖。

圖7 密碼校驗的程序流程圖
同時。IC卡作為預付費電能表的信息傳送載體,其加密卡的密碼安全關系到其加密數據的保密性。新購入的批量IC卡,一般都擁有相同的通用密碼GP。為此實行一張卡一個密碼。同時,電能表如何安全、方便地獲得IC卡新密碼NP,也是必須加以關注的。其實現步驟如下:
(1)收費站計算機系統安裝初始化收費站特征號,比如CH、ZH。系統將數據存入加密鑰模塊。
(2)在進行新用戶開戶時,按次序分配一個唯一的ID,計算出中間密碼值MP=f1(CH,ZH,ID),將MP寫在IC卡的應用存儲區,ID寫在IC卡上的保護存儲區,生成新密碼FP=f2(MP),取代原通用密碼GP。
(3)第一次電能表插卡,電能表讀取用戶號ID、MP,生成IC卡新密鑰FP=f2(MP),存儲戶號ID 和FP,擦除MP。
(4)再次購電時,系統軟件將讀卡上戶號ID以及加密鑰內的CH、ZH,生成新密鑰FP=f2(f1(CH,ZH,ID)),核對正確后進行購電寫卡操作。
(5)電能表再次插卡,電能表首先將對儲存在表內的FP值與IC卡密碼進行校核.正確后方可進行讀入購電量等操作。
利用上述操作,IC卡電能表就有了新的IC卡密碼,并保持不變,電能表和IC卡儲值卡之間建立了一對一對應關系。這種IC卡密碼安全方案最大優勢在于管理系統內不保存每一新卡的新密碼,每一次購電時可根據公開的用戶號ID運行不公開的算法生成, 這就從各個環節最大限度保證了IC卡密碼不被泄露,從而預防了非法用電現象的發生,保護了供需雙方的利益。
4 試驗結果
經實驗表明.該電能表具有精度高、抗干擾能力強、并且不受功率因數大小影響的特點。計量精度達到0.5等級。而市場銷售的同類電能表的計量精度為1.0等級或更低。該電能表在長時間的實際使用測試過程中沒有出現死機等情況。另外,該電能表還具有體積小、成本低、工作可靠、便于安裝調試和電量低等特點。完全能滿足工業及民用的要求。
5 結束語
智能IC卡電能表運用脈沖掃描解決了收費難問題,保障了供電公司和消費者雙方的利益不受侵害。這是本電能表設計中的一大特色。該電能表在硬件電路設計中緊跟電子產品市場走向,采用當前功能比較強的PIC系列單片機、總線結構技術、SLE4442邏輯加密存儲卡以及LCD液晶顯示電路。同時,從IC卡密碼安全、卡上數據加密、數據校驗等幾個方面進行工作,提出了一個新的“一卡一密,數據加密,雙向鑒別”的綜合數據安全方案,該方案簡單實用、安全可靠.為IC卡預付費儀表提供了一個新的思路。
參考文獻
【1】王愛英.智能卡技術[MI.清華大學出版社,2000.
【2】李剛健,劉鵬,程憲平.微功耗智能IC卡燃氣表的研制叨.微型機與應用.2902,(4).
【3】謝紅,林海英,張文鑫.PIC系列單片機的特點及其在IC卡預收費水表的應用.應用科技,2002,(3).
作者簡介:
龐桂云(1974一),女,哈爾濱人,講師,畢業于哈爾濱工業大學,碩士研究生。主要研究方向為測試控制。Email:pangguiyun1974@163.com
瞿曉東(1974一),男,湖北宜昌人,講師,哈爾濱理工大學碩士研究生。主要研究方向為P/C單片機及模擬電路設計。
閆廣明(1975一),男,黑龍江呼蘭人,講師,哈爾濱工程大學碩士研究生。主要研究方向為PIC單片機及嵌入式系統開發。